McMurdo Silver "15-17"
1938
McMurdo Silver Corp.
Division of
G. P. H. , Inc.,
3354 N. Paulina St.,
Chicago, Illinois, USA

    McMurdo Silver offered the 15-17 in 1938, as a scaled down version of the larger and more complicated Masterpiece VI, in order to compete against Scotts midpriced model, the Phantom. Fewer models of the 15-17 were sold compaired to the Masterpiece VI and, therefore, are considered quite rare today. It was a single chassis receiver that never had a cover and had a 15 inch Jenson electrodynamic speaker. There are some collectors that claim the the 15-17 is a better performer, reception wise, then that of the Masterpiece VI.
    I acquired this radio at the 2009 Michigan Antique Radio Club "Extravanganza" in Lansing, Michigan.

Tube Line Up:
6K7G...RF Amplifier
6L8G...1st. Detector/Mixer
6J5G...Oscillator
6K7G...1st. IF Amplifier
6K7G...2nd. IF Amplifier
6J5G...Detector
6H6G...AVC Rectifier
6K7G...AVC Amplifier
6G5G...Tuning Indicator
6J5G...Beat Oscillator
6J5G...1st. Audio
2 x 6L6G...Push - Pull
Audio Output
2 x 5Z3G...Rectifier

Measurements:
Height...12 1/4 inches
Width...20 inches
Depth...13 1/2 inches

Frequency Ranges:
BC Band (Red)...530 kHz - 1650 kHz
SW1 Band (Yellow)...1.6 MHz - 5.5 MHz
SW2 Band (Red)...5.3 MHz - 12.5 MHz
SW3 Band (Green)...12 MHz - 32 MHz

Power Source:
AC...110 -120 Volts

Click here to Google satalite view of 3345 N. Paulina St., Chicago, Illinois, USA  The building is located on the SW corner of N. Pauline St. and W. Roscoe St.

McMurdo Silver 15-17 Dial

Personalized ID Plate

C. V. Mayer is believed to be that of Charles V. Mayer of Newport News, VA , USA. Charles was born on March 11, 1900. Charles died on September 8, 1992 at 91 years pf age.

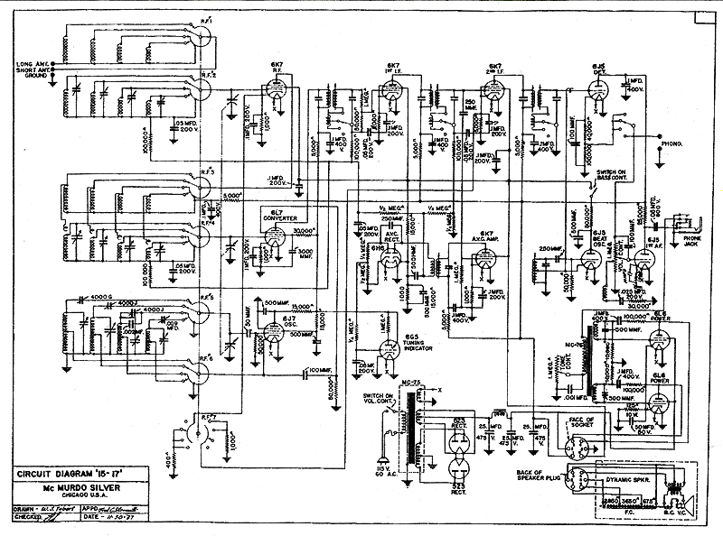
Origional McMurdo Silver 15-17 Schematic

Schematic diagram for the McMurdo Silver 15-17
Radio Age, February 1938
Page 460

Radio News and Shortwave Radio
February 1938
Pages 460 & 510

A New Receiver With 15 Tubes Fuctioning as 17
(McMurdo Silver All-Wave "15-17")
By McMurdo Silver

    Those who have owned and operated superheterodynes of the 1931- 32 vintage, practically all of which employed a low intermediate-frequency, of approximately 175 kc., will remember that they were so excessively sharp in tuning that they seriously impaired tone quality. When the all-wave receiver began to replace the older broadcast-band receivers, extreme selectivity became hard to attain, because a high i.f. had to be used for short-wave reception in order to avoid image interference. The result is that the average radio receiver today will actually separate stations spaced 10 kc. apart only under most favorable conditions.
    The new "15-17" all-wave receiver herein described provides not only selectivity actually better than that of the older 175 kc, i.f. amplifier receivers, but variable selectivity as well. It tunes continuously from 565 to 9.4 meters, a total frequency range of 530 to 32,000 kc. This range is covered using quite low values of gang tuning condenser in order to provide the high L/C tuning ratios necessary to maximum r.f. amplification. Its fifteen tubes are used in the circuit of Figure 1. One 6K7 is a stabilized-regenerative tuned r.f. amplifier. Following are a 6L7 noiseless first detector; 6J7 electron coupled, voltage and temperature stabilized oscillator; two 6K7 i.f. amplifiers in the new "Tri-Band" i.f. amplifier; 6K7 tuned a.v.c. amplifier and 6H6
a.v.c. rectifier; 6J5 infinite impedance second detector; 6J5 audio-beat oscillator; 6J5 tuned-audio driver stage; two 6L6 beam-power tubes in the 20-watt power output amplifier and two 5Z3 rectifiers. A new 15-inch Jensen-Silver speaker and the super-fine audio system of the famous Masterpiece V and Masterpiece VI give the "15-17" really superb tone.
    A total of twelve r.f. transformers, in four groups of three, cover the tuning ranges of 530 to 1650 l.c., 1600 to 5500 kc., 5300 to 12,500 kc. and 12,000 to 32,000 kc. The tuned r.f. transformer coupling the 6K7 r.f. amplifier to the 6L7 first detector presents to the 6K7 plate circuit the high impedance necessary to obtain the stabilized-regenerative amplification which must increase with signal frequency if it is to equalize gain and selectivity throughout the range of 530 to 32,000 kc. Measurement indicates that at 13 meters as much gain is had as in the 200 to 550 meter band.

High "Q" Coils


    There is nothing new about the first detector and oscillator; they are the same circuits as in the Masterpiece V and VI. It is in the 472 kc. "Tri-Band" i.f. amplifier that most of the selectivity of the "15-17" is obtained. This is accomplished through use of new Litz coils (measuring Q205) wound upon a newly developed high-permeability powdered r.f. iron core. Six such coils in the three dual tuned transformers gave several times more amplification than could possibly be used. At the considerably lower level actually desired, stability was accompanied with complete freedom from noise. This 2-stage amplifier gave a selectivity curve 3 kc. broad on its intelligence-carrying "nose", falling off steeply to a total width of only 15 kc. at 10,000 times resonant input. At 20 kc. band width the measure of rejection for unwanted stations but 10 kc. away from a desired station was 30,000 times; for stations only 5 kc. away from resonance, rejection was 1,000 times. For broadcast and amateur DX telephone reception this is everything that can ever be asked.

Variable Selectivity


    Tone, with such selectivity cannot provide high quality musical reproduction. Selectivity is therefore made variable through permanently fixed i.f. couplings. By this means, a simple turn of the "selectivity" knob gives instantaneous choice of 3 kc., 8 kc., or 16 kc. selectivity, besides shifting the audio amplifier input to terminals for pick-up connection for phonograph reproduction. Here is every selectivity choice needed for all modern reception conditions instantaneously available at the turn of the knob. I.F. circuit alignment is effected through inductance variation, the tuning capacities being fixed. Micrometric movement of the powdered iron cores of the i.f. coils does the trick permanently, in spite of heat, cold, damp, dry and vibration.
    The 6J5 infinite-impedance, linear second detector not only eliminates the harmonic distortion introduced on high-percentage modulation by diode detectors, but it places a high-resistance load across the last i.f, transformer and so makes an important selectivity contribution. Coupled to it for optimum weak-signal strength is the 6J5 audio-beat oscillator the beatnote pitch is adjustable from the chassis rear. So selective is the entire receiver that by tuning the beat oscillator to produce a 1500 to 2,000 cycle audio-beat note good "single-signal" c.w. code reception is obtained.
    The amplified a.v.c. system is operated from the first i.f. tube in order that the a.v.c. amplifier itself may be made sufficiently broad in tuning to follow approximate r.f. selectivity curve shape. This results in a system which holds received signals, varying through the range of 20 to over 1,000,000 microvolts input, at volume constant to 3 db.
    The audio amplifier uses a 6J5 triode driver tube in conjunction with a Clough system tuned push-pull audio transformer which is tuned by the "bass tone" knob to give anything from bass "boost" of 16 db., to a 30 db. bass "droop." This plus treble tone control provides the comp cle control of tone so necessary to compensate for different programs, individual taste in tone, and variations in individual home acoustics.
    Two 6L6 beam power tubes, operated Class AB1 in a 10-percent -cc(]back circuit develop 16 watts power output strictly Class A, and a maximum of 20 watts at less than 3 % total harmonic distortion for the entire audio amplifier. The new 15-inch loudspeaker will actually reproduce down to 30 cycles, up to 8.000 cycles, and is about 2/ times more efficient than ordinary 10-inch and 12-inch speakers. But even this speaker cannot reproduce actual sound much below 130 cycles in an ordinary console cabinet. So consoles are provided which incorporate the new Jensen invented "peri-dynamic" and "basereflex" principles, allowing the speaker to preproduce tones down to 30 cycles. What more can be asked than 3, S and 16 kc. selectivity, sensitivity of to 1 microvolt on all bands, complete coverage of 530 to 32,000 kc., signal-to-noise-ratio of better than 3: 1 at / microvolt sensitivity, a.v.c. action holding practically all stations at constant volume, not over 3 percent total harmonic distortion, up to 20 watts power output, tone so variable as to be "all things to all men," provision for phonograph and headphone operation, 60 to over 200 degrees of bandspread (2/ to 9 inches of band spread dial length on the principal short-wave bands) and automatic 16:1 and 80:1 tuning knob ratios?

Radio News
March  1938
Pages 532 & 576

Operating Test Report on the
ALL-WAVE
"15-17"
By S. Gorden Taylor
and Laurance M. Cockaday


    As of last month McMurdo Silver described his newest receiver the "15-17" all-wave superheterodyne. One has been in operation for some weeks in one of the RADIO NEWS proving stations in New York City and this article presents a report of these operating tests.

Outstanding Features


    It is usually the practice in such reports to list a long string of stations heard. The result is that little space is left to describe other operating features. While the great majority of readers are interested in the DX capabilities of a receiver, almost everyone is equally interested in other features such as tone quality, ease of tuning and operation, effectiveness of the a.v.c. system, etc. Considering this, an attempt will be made to cover the various features of the receiver without over-emphasis on the sensitivity.
This is not to imply that the "15-17" lacks sensitivity, because actually it rates extremely high in this respect. In many instances distance stations were brought in better on this receiver than on others with which it was compared-and all of the others were above-average receivers. The test location was a rather poor one because of its high noise level, for which reason the sensitivity tests were based partly on this comparison with other receivers of known quality. In this location it is seldom possible to hear the transpacific short-wave stations, for instance. But on every occasion when a try was made for them, they were brought in by the "15-17," the signals ranging from poor to good, depending on conditions, but at all times were intelligible. European, South American and others up to five or six thousand miles distant were regular fare, in many instances vieing with local broadcast stations in quality and general excellence of signal strength and clarity of reproduction.
    On the broadcast band, in which range the local noise level is much lower, the receiver did a fine job, providing early evening reception from all over the country and good reception from a number of west-coast stations later in the evening, in spite of the fact that west-coast reception has been notoriously poor in this vicinity this season.
    So much for the sensitivity. So far as it was possible to judge it fully confirmed the measured rating mentioned by Mr. Silver in his descriptive article.

Variable Selectivity


    The selectivity, and provision for varying it, both proved highly effective. In the 3 kilocycle position it was found possible in some cases to bring in a station understandably with interfering stations so close as to cause a violent heterodyne whistle when set for medium or wide-band operation. In this selective position sidebands are cut quite appreciably, of course, but still leave speech entirely understandable. In the medium, or 8-kilocycle, position, the selectivity is still above that of the average receiver. Here the quality is improved and music, while not "high-fidelity" is at least entirely acceptable and above average. The seeming inconsistency in these last two statements is undoubtedly accounted for by the steep sides of the selectivity characteristic engineered into this receiver
    In the broad-band position (16 kilocycles) really high quality is provided. It is in this range that musical pitches up to 8000 cycles are included. The sensitivity falls off in this position but that is of no importance because it is used only for reception of good local broadcast stations anyway.

Control of Tone


    Complete range of tone is provided by the band-width (selectivity) and in the broad-band position (16 kilocycles) bass control knobs. As the former knob is swum, from the 16-kilocycle to the 8-kc. and then the 3-kc, positions the high notes are progressively attenuated and therefore under complete control in three steps. The bass-control knob does the same thing for the bass register; attenuating the lows at its lowest setting and boosting them at the other extreme of its range. As a result the rumble of the organ can be reproduced in all its majesty, and can even be emphasized if desired. The combination of the two controls allow any degree of shading desired to suit individual taste.
    In addition to the selectivity and bass control knobs just mentioned, the other controls are the conventional ones; tuning, volume and band selector. They are, however, conventional in name only. The tuning control, for instance, is the same as used on the "Masterpiece VI". It provides a 12 to 1 tuning ratio but at each reversal jumps to an 80 to 1 ratio for 1 revolution of the large knob, after which it again assumes the 12 to 1 ratio. This makes tuning the critical short-wave ranges a pleasure.
    In addition to the large, fully calibrated dial there is a small secondary dial, the full circumference of which constitutes a scale marked off into 200 divisions. Short-wave stations can be logged on this dial by making a notation of the frequency shown by the large dial and the division reading on the small one. In this manner a very acceptable degree of bandspreading is obtained, even on the lower-wave range. The 20-meter amateur band, for instance, spreads out over a range of 35 degrees on this secondary dial, the 10-meter band over 70 degrees, etc.
    The calibration of the main dial was checked at several points in each range and the maximum error found to be 3 kilocycles in the broadcast hand; in the other ranges it did not exceed 13 of 1 per cent which is very good (1 indeed for an all-wave receiver, as this percentage represents an error of only 3 kilocycles per 1000 kilocycles.
    Extensive tests were made oil tile various amateur hands, with results that were little short of surprising. The high tuning ratio coupled with tile secondary dial system provides satisfactory band-spread; the sensitivity meets all requirements; the high signal-to-noise ratio permits good weak signals reception and the selectivity in the 3 k.c. position is better than that of the average communication receiver. A beat-frequency oscillator, and vary stable one, is included for c. w. reception and a very fair degree of single-signal operation is actually obtainable in this type of reception.
    Unusual though it may be for an all-wave broadcast receiver, reception on the low wavelengths including the 10-meter amateur hand is really good, with plenty of DX from 10-mcter "hams" all over the world.
    As a musical instrument, little is left to be desired. There are numerous adjectives that could be used in describing it but we will content ourselves by saving that the quality of reproduction is nothing less than beautiful, conveying to the listener the full thrill and enjoyment of line music, with full value to the instruments which are lost in the average receiver. In the tests even musicians were impressed with the fidelity of reproduction and when musicians are impressed the receiver must he good!
    Thus the brief description of the findings of this listening post test are concluded except to add that the receiver was found to be one worthy of an excellent rating whether for use primarily as a musical instrument, DX getter, world-wide short-wave rover or a combination of all of these in the hands of a serious minded listener.

This web page was last updated: November 25. 2016